Schéma Chauffage Central au Bois : Guide Complet de Fonctionnement et d'Installation
Le chauffage central au bois est une solution écologique et économique pour chauffer une maison. Utiliser du bois comme source d'énergie est non seulement renouvelable, mais aussi moins coûteux que les énergies fossiles. Dans cet article, nous vous présentons un guide détaillé sur le schéma d'un chauffage central au bois, ses composants principaux, son fonctionnement, ainsi que les étapes pour une installation optimale.
1. Présentation du Chauffage Central au Bois
Le chauffage central au bois utilise des combustibles solides tels que des bûches, des granulés de bois (pellets), ou des briquettes de bois pour chauffer l'eau qui circule dans un système de radiateurs ou de planchers chauffants. Ce type de chauffage offre un confort thermique constant et est particulièrement efficace dans les régions froides.
Les Composants Principaux d'un Système de Chauffage Central au Bois
Un système de chauffage central au bois comprend plusieurs composants clés, chacun jouant un rôle crucial dans la distribution de la chaleur dans la maison :
- Chaudière à bois : Cœur du système, elle brûle le bois pour chauffer l'eau qui circule dans le circuit de chauffage.
- Ballon tampon : Réservoir de stockage de l'eau chaude produite par la chaudière. Il permet de réguler l'apport de chaleur et de fournir de l'eau chaude à la demande.
- Réseau de radiateurs ou plancher chauffant : Dispositifs de diffusion de la chaleur dans les différentes pièces de la maison.
- Vase d'expansion : Compense les variations de volume d'eau causées par les changements de température.
- Pompe de circulation : Assure la circulation de l'eau chaude dans le réseau de chauffage.
- Dispositifs de sécurité : Soupape de sécurité, thermomètre, manomètre, et régulateurs qui assurent le bon fonctionnement et la sécurité du système.
2. Fonctionnement d'un Chauffage Central au Bois
Le fonctionnement d’un chauffage central au bois repose sur un circuit de chauffage dans lequel l'eau chaude est distribuée à travers la maison. Voici un aperçu du processus :
Combustion du Bois : La chaudière à bois est chargée avec le combustible (bûches, granulés, etc.). Lors de la combustion, la chaleur produite chauffe l'eau dans la chaudière.
Circulation de l’Eau Chaude : Une fois chauffée, l'eau est pompée dans le circuit de chauffage par la pompe de circulation. Elle est dirigée vers les radiateurs ou le plancher chauffant installés dans les différentes pièces.
Émission de la Chaleur : Les radiateurs ou le plancher chauffant diffusent la chaleur dans les pièces. L'eau qui circule perd progressivement sa chaleur et retourne refroidie vers la chaudière.
Stockage dans le Ballon Tampon : L’eau chaude excédentaire est stockée dans le ballon tampon, qui régule l’alimentation en eau chaude selon les besoins de la maison. Cela permet une utilisation plus efficace de l'énergie et réduit la nécessité de faire fonctionner la chaudière en permanence.
Régulation de la Température : Des régulateurs automatiques surveillent et ajustent la température de l'eau pour maintenir un confort optimal tout en évitant la surchauffe.
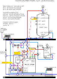
3. Schéma Typique d’un Chauffage Central au Bois
Le schéma ci-dessous représente les éléments principaux et le circuit de chauffage d’un système de chauffage central au bois :
- Chaudière à Bois : Placée dans une chaufferie ou un espace dédié.
- Ballon Tampon : Situé à proximité de la chaudière pour un échange thermique optimal.
- Pompe de Circulation : Installée sur le circuit de départ de la chaudière pour garantir la circulation de l'eau.
- Réseau de Radiateurs/Plancher Chauffant : Disposés dans les différentes pièces.
- Vase d’Expansion : Connecté au réseau pour absorber l’expansion de l'eau.
- Dispositifs de Sécurité : Soupapes de sécurité, thermomètre, et manomètre intégrés dans le système.
Note: Pour un fonctionnement sûr et efficace, le schéma de votre système de chauffage central au bois doit être conçu par un professionnel en fonction de la configuration de votre maison.
4. Avantages du Chauffage Central au Bois
- Économies d’Énergie : Le bois est une source d'énergie moins chère que l'électricité ou les combustibles fossiles.
- Écologique : Le bois est une ressource renouvelable, et sa combustion est neutre en carbone si les arbres coupés sont remplacés.
- Autonomie Énergétique : Possibilité de se chauffer indépendamment des réseaux d'énergie traditionnels.
- Confort Thermique : Offre une chaleur douce et homogène dans toute la maison.
5. Installation du Chauffage Central au Bois : Étapes Clés
Étape 1 : Évaluation et Planification
- Évaluation des besoins énergétiques : Calculer la capacité nécessaire de la chaudière en fonction de la taille de la maison et de l'isolation thermique.
- Choix de l’emplacement : Choisir un emplacement pour la chaudière et le ballon tampon qui soit accessible pour l’entretien et l’approvisionnement en bois.
Étape 2 : Installation de la Chaudière et du Ballon Tampon
- Installation de la Chaudière : Positionner la chaudière selon les recommandations du fabricant, en respectant les distances de sécurité.
- Installation du Ballon Tampon : Relier le ballon tampon à la chaudière et au circuit de chauffage.
Étape 3 : Montage du Circuit de Chauffage
- Installation des Radiateurs/Plancher Chauffant : Disposer les radiateurs ou installer le plancher chauffant dans les pièces.
- Raccordement de la Pompe de Circulation : Assurer une circulation d'eau efficace dans le système.
Étape 4 : Sécurité et Régulation
- Installation des Dispositifs de Sécurité : Mettre en place des soupapes de sécurité, un manomètre, et des régulateurs automatiques.
- Test et Réglages : Vérifier l’étanchéité des raccordements et ajuster les réglages pour un fonctionnement optimal.
Étape 5 : Première Mise en Service
- Remplissage du Circuit : Remplir le circuit avec de l'eau et purger l'air.
- Allumage de la Chaudière : Allumer la chaudière et surveiller son fonctionnement initial.
- Ajustements Finaux : Effectuer les derniers réglages pour optimiser l'efficacité du chauffage.
6. Entretien et Maintenance du Système de Chauffage Central au Bois
Pour assurer une longue durée de vie et un fonctionnement optimal de votre système de chauffage central au bois, il est essentiel de réaliser un entretien régulier :
- Nettoyage de la Chaudière : Retirer les cendres et les résidus de combustion régulièrement pour éviter l'accumulation et optimiser l'efficacité thermique.
- Vérification du Ballon Tampon : S'assurer que le ballon tampon fonctionne correctement et qu'il n'y a pas de fuites.
- Contrôle de la Pompe de Circulation : Inspecter la pompe pour garantir qu'elle fonctionne correctement et sans bruit excessif.
- Entretien des Radiateurs/Plancher Chauffant : Purger les radiateurs pour éliminer l'air emprisonné et assurer une circulation efficace de l'eau chaude.
Conclusion
Le chauffage central au bois est une solution durable, écologique et économique pour chauffer votre maison. Avec une installation correcte et un entretien régulier, ce système offre un confort thermique optimal tout en réduisant les coûts énergétiques. Pour garantir la sécurité et l'efficacité de votre installation, il est recommandé de faire appel à un professionnel pour le dimensionnement, l'installation et l'entretien de votre système de chauffage central au bois.
